Многофункциональная система безопасности (МФСБ) реализована на базе конфигурации «1С:Производственная безопасность. Комплексная» и предназначена для мониторинга и предупреждения условий возникновения опасности геодинамического, аэрологического и техногенного характера. МФСБ обеспечивает оперативный контроль соответствия технологических процессов заданным параметрам и применение систем противоаварийной защиты людей, оборудования и сооружений.
Также МФСБ предлагает широкие возможности для автоматизации процессов учета, планирования, контроля состояния производственной безопасности и формирования аналитической отчетности в соответствии с требованиями законодательства РФ, отраслевой и корпоративной специфики.
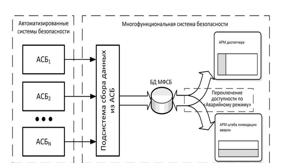
учёт и обработка данных, получаемых из смежных автоматизированных систем безопасности (систем аэрогазового контроля, связи, передачи информации и управления оборудованием, поиска и обнаружения людей, застигнутых аварией и др.);
отображение данных о содержании газов в графическом виде с наложением на карту выработок;
классификация событий в зависимости от степени опасности и приоритетности реакции;
автоматическая запись достижения пороговых значений отслеживаемых параметров в базу данных с фиксацией времени и указанием места нахождения сотрудника шахты из соответствующей базы данных;
прописаны бизнес-процессы должностных лиц для ликвидации угроз безопасности как заданная реакция на конкретные события;
автоматическое оповещение специалистов о достижении пороговых значений отслеживаемых параметров и запуск соответствующего режима работы.
интеграция с существующими на предприятии автоматизированными системами и базами данных, в частности, с ШИК «Талнах», СКД «КОДОС» и БД «Газы»;
импорт/ экспорт сведений о сотрудников шахты и подрядчиках, выполняющих работы под землей, из системы контроля доступа организации.
автоматизированный ввод в систему информации об устройстве (датчике и радиометке);
контроль количества устройств (всего, выданных, находящихся в ремонте);
контроль сроков поверки устройств.
фиксация фактов выдачи и сдачи индивидуальных переносных устройств при помощи самого устройства (оснащенного средствами автоматической идентификации) и пропуска (бесконтактные карты) системы контроля доступа;
автоматизированная проверка устройств;
установка технологических параметров;
установка запрета выдачи устройства и др.
контроль обеспеченности сотрудников средствами индивидуальной защиты, а также смывающими и (или) обезвреживающими средствами;
планирование и регистрация результатов проведения специальной оценки условий труда;
планирование и контроль прохождения сотрудниками медицинских осмотров;
анализ данных расследований несчастных случаев на производстве.
учет опасных производственных объектов и технических устройств, применяемых на ОПО;
контроль своевременности проведения регламентных работ и технического обслуживания оборудования;
оформление данных аварий и происшествий на опасных производственных объектах.
учет объектов пожарной защиты, пожарной техники и подразделений пожарной охраны,
контроль проведения противопожарных тренировок
обработка результатов деятельности пожарно-технической комиссии.
учет промышленных площадок и источников негативного воздействия на окружающую среду,
учет выпусков сточных вод, водозаборов, объектов размещения отходов,
учет нормативных и фактических выбросов загрязняющих веществ в атмосферный воздух, сбросов загрязняющих веществ в водные объекты, сточных или дренажных вод,
учет обращения с отходами,
регистрация данных актов рекультивации земель,
автоматизация расчетов платы за негативное воздействие на окружающую среду.
«Внедрение решения «1С:Горнодобывающая промышленность» позволило нам автоматизировать ключевые процессы учета и планирования горных работ и переработки углей, повысить качество управленческих решений, перевести функционал из исторической системы и снизить трудозатраты сотрудников на ведение учета. Проект реализован на шести филиалах и более 1000 рабочих мест, став важным шагом в цифровой трансформации компании»
Внедрение комплексной автоматизации в АО «Каражыра» стало для нас настоящим прорывом! Благодаря интеграции «1С:Горнодобывающая промышленность» с другими системами, мы получили мощный инструмент для оперативного учета и планирования. Теперь у нас единая система, мы получаем достоверную информацию в режиме реального времени, а трудозатраты на учет сократились почти на 40%.
Основная цель, которую ставила наша компания перед разработчиком – снижение трудозатрат на ведение учета и формирование отчетности, а также автоматизация бизнес-процессов планирования и учета.
В ходе реализации проекта все поставленные задачи выполнены. Мы получили удобную, современную систему управления предприятием.
В рамках проекта был внедрен программный продукт «1С:Горнодобывающая промышленность. Оперативный учет». В результате мы получили автоматизированную информационную систему, отвечающую всем современным требованиям безопасности и адаптированную к бизнесам-процессам на организации учета на нашем предприятии.
В результате анализа всех бизнес-процессов предприятия IT-интегратором была предложена оптимизация и составлен детальный план действий по внедрению «1С:ERP Горнодобывающая промышленность». Экономическая эффективность проекта в показатели ROI составила 200% (с условием окупаемости 1 год).
Результатом внедрения ERP-системы стала прозрачность деятельности предприятия и, как следствие, повышение качества управления бизнес-процессами. Затраты на управление снижены на 30%. Внедренная информационная система интегрирована с ИТ-решениями холдинга. Ускорено получение регламентированной и управленческой отчетности на 30%. Система управления складом позволила сократить экономические затраты на содержание и увеличить оборачиваемость материальных запасов на 15 - 20%.
В общей сложности внедрение «1С:ERP Горнодобывающая промышленность» заняло у нас 1,5 года, в т.ч. внедрение производственного блока – 5 месяцев. В результате мы получили удобную современную систему управления предприятием, возможность ежедневно получать оперативную сводку о состоянии ключевых производственных и экономических показателей (по качеству и объемам вскрыши, проценту выработки, план-фактный анализ и др.). За счет использования единой комплексной системы, было исключено дублирование ввода данных, что позволило нам снизить трудозатраты на подготовку отчетности. Продукт потребовал минимум адаптации под специфику нашего предприятия. Это позволило нам собственными силами внедрить систему производственного учета всего за пять месяцев.
Переход на «1С:ERP Горнодобывающая промышленность» позволил нам решить одну из главных задач – создание единой централизованной системы, объединяющей управленческий, регламентированный и производственный учет. Новая система позволяет видеть всю информацию в одном месте на любом этапе – от забоя до отгрузки продукции потребителю в количественном и качественном выражении. Был адаптирован под наше предприятие большой блок производственного учета, охватывающего все процессы горного производства (добыча, проходка, переработка, отгрузка и т.д.). В частности, были реализованы оперативный учет производственных показателей по добыче, проходке, обогащению, поступлению и отгрузке продукции, полавный учет затрат, расчет себестоимости в разрезе единиц техники, распределение расходов будущих периодов, интеграция с системой ЭТРАН и весовым оборудованием и др.
Запуск МФСБ позволил нам решить одну из важнейших задач повышения безопасности на нашей шахте – это автоматический непрерывный контроль состояния шахтовой атмосферы. Были выполнены требования законодательства, предъявляемые к обеспечению безопасности угольных шахт. У нас появился инструмент для быстрого устранения опасностей производственного характера. Новая система позволяет нам видеть всю ситуацию: данные с датчиков отображаются на карте, при определенном изменении параметров система автоматически оповещает специалистов, тем самым позволяя оперативно реагировать на возможные ЧС и предотвращать их. После внедрения МФСБ увеличилась прозрачность нарушений ПБ, что привело к снижению количества нарушений ПБ и соответственно, вероятности возникновения аварий. Также сократились простои, связанные с нарушениями ПБ.
Специалисты по расчету заработной платы при помощи «1С:Горнодобывающая промышленность. Управление карьером» теперь имеют возможность вести расчет премий за выполнение работ на оборудовании на основании данных об отработанном времени сотрудников и показателях производства горных работ, распределять затраты по заработной плате по единицам техники, вводить постоянные начисления и удержания по списку сотрудников.
Подводя общий итог проекта внедрения в ОАО «Угольная компания «Южная» следует отметить, что сведена к минимуму погрешность при расчете себестоимости продукции, снизились трудозатраты при начислении заработной платы персоналу, нормативно-справочная информация приведена согласно принятым на момент внедрения регламентированным документам.
Внедрение программного продукта «1С:Горнодобывающая промышленность. Управление карьером» позволило существенно сократить трудозатраты на ведение оперативного учета производства и расчет заработной платы и актуализацию информации, так как кадровый учет и оперативный учет по всем направлениям ведутся комплексно в едином информационном пространстве, а специализированные механизмы программы позволяют производить автоматизированный контроль учета.
Компания «Синерго» с 2004 года оказывает услуги в сфере информационных технологий. Разработка программных продуктов для предприятий горнодобывающей промышленности – основное направление деятельности компании.
В разрабатываемых решениях учтены вся специфика отрасли и нестандартные требования, предъявляемые при автоматизации горнодобывающих предприятий. Опыт наших разработчиков подтверждается сертификатами фирмы «1С» и успешными проектами внедрения разработанных продуктов.
В 2012 г. разработано первое отраслевое решение на базе «1С:Предприятие» для горнодобывающих предприятий - «1С:Горнодобывающая промышленность. Управление карьером». Первым предприятием, на котором был внедрен продукт, стал разрез «Виноградовский» филиала ОАО «Кузбасская топливная компания». На сегодняшний день пользователи «1С:Горнодобывающая промышленность. Управление карьером» - холдинги, разрезы и карьеры по всей России.
В 2014 г. выпущено прикладное решение «Модуль интеграции» для интеграции с системами АСУ ТП. Решение позволяет интегрировать данные из внешних систем в информационные базы «1С».
2016 г. – разработаны программный продукт ERP-класса «1С:ERP Горнодобывающая промышленность» и решение для автоматизации оперативного учета и планирования горных работ – «1С:Горнодобывающая промышленность. Оперативный учет».
2020 г. – разработан программный продукт «1С:Горнодобывающая промышленность. Модуль для 1С:ERP» для расширения возможностей информационных баз на базе решений «1С:ERP Управление предприятием» и «1С:ERP. Управление холдингом».
В 2024 г. – выпущено прикладное решение «Дополнение к «1С:Горнодобывающая промышленность» для интеграции с АС «ЭТРАН». Решение позволяет интегрировать продукты линейки «1С:Горнодобывающая промышленность» с АС РЖД «ЭТРАН» .
Офисы «Синерго» представлены в Новокузнецке, Ростове-на-Дону и Москве, в компании работает более 120 сертифицированных сотрудников, специалистов своего профиля с уникальным набором знаний и проектным опытом.
654005, Кемеровская обл., г. Новокузнецк
пр. Строителей, д. 91а
Тел: +7 (3843) 322-101
company@sinergo.ru
www.sinergo.ru